您好,欢迎来到米乐官方体育app

服务热线:

191-6896-3913(何先生)


产品中心

产品分类

联系我们

地址:深圳市光明区薯田埔社区东益扬配件工业园B2栋

联系人:何建平

电话:13919413913  0755-27193913

传真:0755-27193931

QQ:1324596002

邮箱:[email protected]

网址 :

深圳GB12616封闭型沉头抽芯铆钉

您的当前位置: 首 页 >> 产品中心 >> 铆接系列

深圳GB12616封闭型沉头抽芯铆钉

  • 所属分类:深圳铆接系列

  • 点击次数:
  • 发布日期:2022/09/06
  • 在线询价
详细介绍

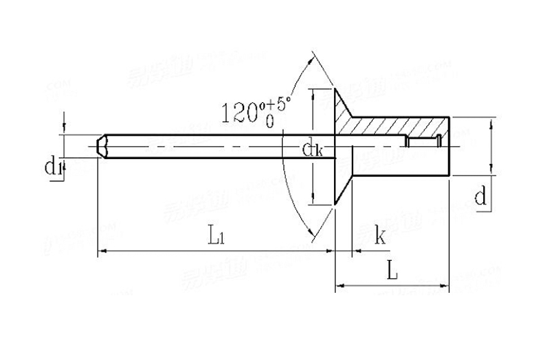
产品名称:GB12616封闭型沉头抽芯铆钉

未标题-2.jpg

产品规格

d

Φ3.2

Φ4

Φ4.8

Φ5

Φ6.4

d

最大值

3.28

4.08

4.88

5.08

6.48

最小值

3.05

3.85

4.65

4.85

6.25

dk

最大值

6.7

8.4

10.1

10.5

13.4

最小值

5.8

6.9

8.3

8.7

11.6

k

最大值

1.3

1.7

2

2.1

2.7

d1

最大值

1.85

2.35

2.77

2.8

3.75

L1

最小值

25

25

27

27

27

剪切载荷/N(min)

1100

1600

2200

2420

3600

拉力载荷/N(min)

1450

2200

3100

3500

4900

钉芯断裂载荷/N(max)

3500

5000

7000

8000

10230

推荐的铆接范围



-

-

-

-

-

千件钢制重≈kg



-

-

-

-

-

1.jpg

材质:不锈钢、铝、碳钢;规格:齐全;表面处理:根据客户要求

相关标签:GB12616封闭型沉头抽芯铆钉

最近浏览:

相关产品:

相关新闻:

姓名 |
手机 |
内容 |
在线客服
分享 一键分享