您好,欢迎来到米乐官方体育app

服务热线:

191-6896-3913(何先生)


产品中心

产品分类

联系我们

地址:深圳市光明区薯田埔社区东益扬配件工业园B2栋

联系人:何建平

电话:13919413913  0755-27193913

传真:0755-27193931

QQ:1324596002

邮箱:[email protected]

网址 :

南平GB5789带齿六角头加大法兰面螺栓

您的当前位置: 首 页 >> 产品中心 >> 螺栓系列

南平GB5789带齿六角头加大法兰面螺栓

  • 所属分类:南平螺栓系列

  • 点击次数:
  • 发布日期:2022/09/06
  • 在线询价
详细介绍

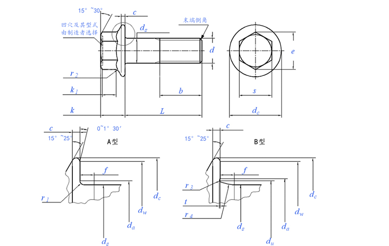
产品名称:GB5789带齿六角头加大法兰面螺栓

GB5789带齿六角头加大法兰面螺栓

产品规格

螺纹规格

M5

M6

M8

M10

M12

(M14)

M16

M20

d









P

螺距

0.8

1

1.25

1.5

1.75

2

2

2.5

b

L≤125

16

18

22

26

30

34

38

46

125<L≤200

/

/

28

32

36

40

44

52

L>200

/

/

/

/

/

/

57

65

c

最小值

1

1.1

1.2

1.5

1.8

2.1

2.4

3

da

A型

最大值

5.7

6.8

9.2

11.2

13.7

15.7

17.7

22.4

B型

最大值

6.2

7.4

10

12.6

15.2

17.7

20.7

25.7

dc

最大值

11.8

14.2

18

22.3

26.6

30.5

35

43

ds

最大值

5

6

8

10

12

14

16

20

最小值

4.82

5.82

7.78

9.78

11.73

13.73

15.73

19.67

du

最大值

5.5

6.6

9

11

13.5

15.5

17.5

22

dw

最小值

9.8

12.2

15.8

19.6

23.8

27.6

31.9

39.9

e

最小值

8.56

10.8

14.08

16.32

19.68

22.58

25.94

32.66

f

最大值

1.4

2

2

2

3

3

3

4

k

最大值

5.4

6.6

8.1

9.2

10.4

12.4

14.1

17.7

k1

最小值

2

2.5

3.2

3.6

4.6

5.5

6.2

7.9

r1

最小值

0.25

0.4

0.4

0.4

0.6

0.6

0.6

0.8

r2

最大值

0.3

0.4

0.5

0.6

0.7

0.9

1

1.2

r3

最小值

0.1

0.1

0.15

0.2

0.25

0.3

0.35

0.4

r4

参考

3

3.4

4.3

4.3

6.4

6.4

6.4

8.5

s

最大值

8

10

13

15

18

21

24

30

最小值

7.64

9.64

12.57

14.57

17.57

20.16

23.16

29.16

t

最大值

0.15

0.2

0.25

0.3

0.35

0.45

0.5

0.65

最小值

0.05

0.05

0.1

0.15

0.15

0.2

0.25

0.3

千件钢制重≈kg




-

-

-

-

-

-

-

-

螺纹长度b




-

-

-

-

-

-

-

-

1.jpg

材质:碳钢 不锈钢

电镀表色 洗白、钝化、六价铬锌、镀镍、环保彩锌、环保黑锌 达克罗、锌镍合金等


产品详情.jpg

相关标签:GB5789带齿六角头加大法兰面螺栓

最近浏览:

相关产品:

相关新闻:

姓名 |
手机 |
内容 |
在线客服
分享 一键分享