地址:深圳市光明区薯田埔社区东益扬配件工业园B2栋
联系人:何建平
电话:13919413913 0755-27193913
传真:0755-27193931
QQ:1324596002
网址 :
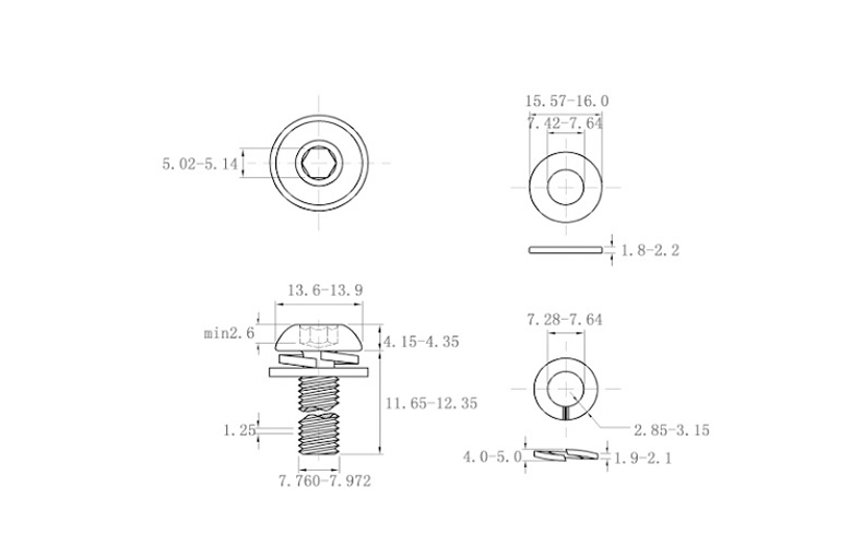
产品名称:ISO7380圆头内六角螺钉平弹垫组合
产品参数

米乐官方体育app | |||||||||
材质 | 304 | 直径 M8 | 长度 12-50 | 制图 | |||||
标准 | ISO7380平弹垫组合 | 性能等级 | 审核 | ||||||
品名 | 内六角平圆头机螺钉平弹垫组合 | 表面处理 | 洗白 钝化 达克罗 锌镍合金等 | 批准 | |||||
条码 | 397837 | 未注公差 | 单位 | mm | 版次 | 日期 | 变更人 | 核准 | |





