您好,欢迎来到米乐官方体育app

服务热线:

191-6896-3913(何先生)


产品中心

产品分类

联系我们

地址:深圳市光明区薯田埔社区东益扬配件工业园B2栋

联系人:何建平

电话:13919413913  0755-27193913

传真:0755-27193931

QQ:1324596002

邮箱:[email protected]

网址 :

广州DIN916内六角凹端紧定

您的当前位置: 首 页 >> 产品中心 >> 内六角系列

广州DIN916内六角凹端紧定

  • 所属分类:广州内六角系列

  • 点击次数:
  • 发布日期:2022/09/06
  • 在线询价
详细介绍

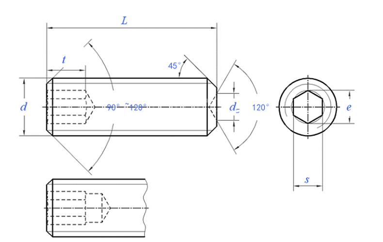
产品名称:DIN916内六角凹端紧定

DIN916内六角凹端紧定

产品参数

螺纹尺寸

M1.4

M1.6

(M1.8)

M2

M2.5

M3

M4

d








P

螺距

0.3

0.35

0.35

0.4

0.45

0.5

0.7

dz

最大值

0.7

0.8

0.9

1

1.2

1.4

2

最小值

0.45

0.55

0.65

0.75

0.95

1.15

1.75

s

公称

0.7

0.7

0.7

0.9

1.3

1.5

2

最大值

0.724

0.724

0.724

0.902

1.295

1.545

2.045

最小值

0.711

0.711

0.711

0.889

1.27

1.52

2.02

t

最小值

短螺钉

0.6

0.7

0.8

0.8

1.2

1.2

1.5

长螺钉

1.4

1.5

1.6

1.7

2

2

2.5

e

最小值

0.803

0.803

0.803

1.003

1.427

1.73

2.3

螺纹尺寸

M5

M6

M8

M10

M12

(M14)

M16

d








P

螺距

0.8

1

1.25

1.5

1.75

2

2

dz

最大值

2.5

3

5

6

8

9

10

最小值

2.25

2.75

4.7

5.7

7.64

8.64

9.64

s

公称

2.5

3

4

5

6

6

8

最大值

2.56

3.08

4.095

5.095

6.095

6.095

8.115

最小值

2.52

3.02

4.02

5.02

6.02

6.02

8.025

t

最小值

短螺钉

2

2

3

4

4.8

5.6

6.4

长螺钉

3

3.5

5

6

8

9

10

e

最小值

2.87

3.44

4.58

5.72

6.86

6.86

9.15

材料

合金钢、不锈钢

电镀表色

 洗白、钝化、六价铬锌、镀镍、环保彩锌、环保黑锌 达克罗、锌镍合金等

1.jpg

替代列表

DIN 916 - 1980 DIN EN ISO 4029 - 2004

等效标准

国标 GB

国际 ISO

德标 DIN

GB /T 80

ISO 4029

DIN EN ISO 4029

以上有部分标准可能为近似等效,如有异议以标准原件为准

相关标签:DIN916内六角凹端紧定

最近浏览:

相关产品:

相关新闻:

姓名 |
手机 |
内容 |
在线客服
分享 一键分享