地址:深圳市光明区薯田埔社区东益扬配件工业园B2栋
联系人:何建平
电话:13919413913 0755-27193913
传真:0755-27193931
QQ:1324596002
网址 :
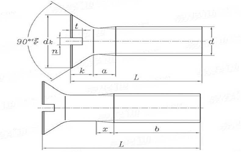
产品名称:GB68一字槽沉头机螺钉

产品规格
螺纹规格 | M1.6 | M2 | M2.5 | M3 | (M3.5) | M4 | M5 | M6 | M8 | M10 | ||||
d | ||||||||||||||
P | 螺距 | 0.35 | 0.4 | 0.45 | 0.5 | 0.6 | 0.7 | 0.8 | 1 | 1.25 | 1.5 | |||
a | 最大值 | 0.7 | 0.8 | 0.9 | 1 | 1.2 | 1.4 | 1.6 | 2 | 2.5 | 3 | |||
b | 最小值 | 25 | 25 | 25 | 25 | 38 | 38 | 38 | 38 | 38 | 38 | |||
dk | 理论值 | 最大值 | 3.6 | 4.4 | 5.5 | 6.3 | 8.2 | 9.4 | 10.4 | 12.6 | 17.3 | 20 | ||
实际值 | 最大值=公称 | 3 | 3.8 | 4.7 | 5.5 | 7.3 | 8.4 | 9.3 | 11.3 | 15.8 | 18.3 | |||
最小值 | 2.7 | 3.5 | 4.4 | 5.2 | 6.94 | 8.04 | 8.94 | 10.87 | 15.37 | 17.78 | ||||
k | 最大值=公称 | 1 | 1.2 | 1.5 | 1.65 | 2.35 | 2.7 | 2.7 | 3.3 | 4.65 | 5 | |||
n | 公称 | 0.4 | 0.5 | 0.6 | 0.8 | 1 | 1.2 | 1.2 | 1.6 | 2 | 2.5 | |||
最大值 | 0.6 | 0.7 | 0.8 | 1 | 1.2 | 1.51 | 1.51 | 1.91 | 2.31 | 2.81 | ||||
最小值 | 0.46 | 0.56 | 0.66 | 0.86 | 1.06 | 1.26 | 1.26 | 1.66 | 2.06 | 2.56 | ||||
t | 最大值 | 0.5 | 0.6 | 0.75 | 0.85 | 1.2 | 1.3 | 1.4 | 1.6 | 2.3 | 2.6 | |||
最小值 | 0.32 | 0.4 | 0.5 | 0.6 | 0.9 | 1 | 1.1 | 1.2 | 1.8 | 2 | ||||
x | 最大值 | 0.9 | 1 | 1.1 | 1.25 | 1.5 | 1.75 | 2 | 2.5 | 3.2 | 3.8 | |||

材料:碳钢、不锈钢、铜等;
电镀表色: 洗白、钝化、六价铬锌、镀镍、环保彩锌、环保黑锌 达克罗、锌镍合金等。
①尽可能不采用括号内规格;
②M1.6~M3.0的螺钉L值≤30mm时,应制出全螺纹(b=L-k-a);
③M3.5~M10的螺钉L值≤45mm时,应制出全螺纹(b=L-k-a)。不锈钢螺丝钉
等效标准
国标 GB | 国际 ISO | 德标 DIN | 法国 NF |
GB /T 68 | ISO 2009 | DIN EN ISO 2009 | NF E 25-123 |
以上有部分标准可能为近似等效,如有异议以标准原件为准。




