您好,欢迎来到米乐官方体育app

服务热线:

191-6896-3913(何先生)


产品中心

产品分类

联系我们

地址:深圳市光明区薯田埔社区东益扬配件工业园B2栋

联系人:何建平

电话:13919413913  0755-27193913

传真:0755-27193931

QQ:1324596002

邮箱:[email protected]

网址 :

赤峰GB37 T型槽用螺栓

您的当前位置: 首 页 >> 产品中心 >> 螺栓系列

赤峰GB37 T型槽用螺栓

  • 所属分类:赤峰螺栓系列

  • 点击次数:
  • 发布日期:2022/09/06
  • 在线询价
详细介绍

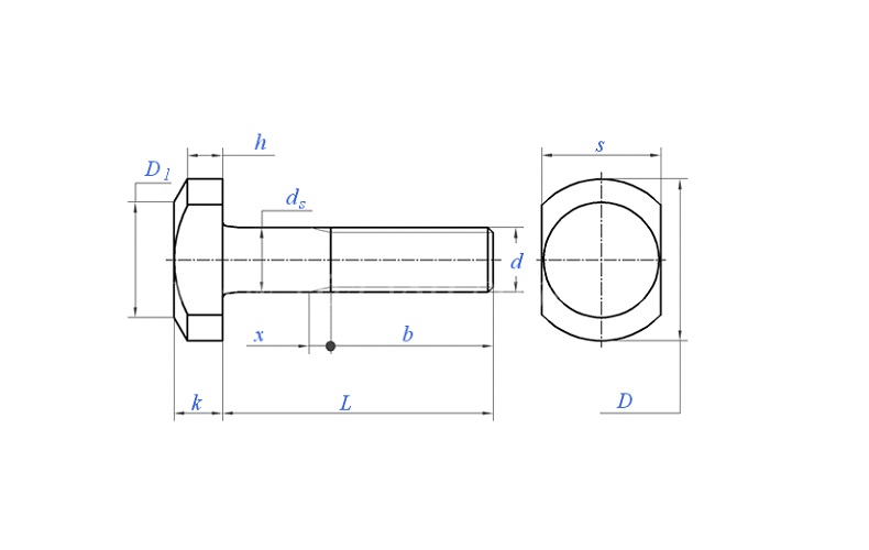
品名称:GB37 T型槽用螺栓

GB37 T型槽用螺栓

产品规格

d

M5

M6

M8

M10

M12

M16

M20

M24

M30

M36

P

螺距

0.8

1

1.25

1.5

1.75

2

2.5

3

3.5

3.5

b

L≤125

16

18

22

26

30

38

46

54

66

78

125<L≤200

-

-

28

32

36

44

52

60

72

84

L>200

-

-

-

-

-

57

65

73

85

97

ds

最大值

5

6

8

10

12

16

20

24

30

36

最小值

4.7

5.7

7.64

9.64

11.57

15.57

19.48

23.48

29.48

35.38

D

12

16

20

25

30

38

46

58

75

85

k

最大值

4.24

5.24

6.24

7.29

8.89

11.95

14.35

16.35

20.42

24.42

最小值

3.76

4.76

5.76

6.71

8.31

11.25

13.65

15.65

19.58

23.58

h

2.8

3.4

4.1

4.8

6.5

9

10.4

11.8

14.5

18.5

s

最大值

9

12

14

18

22

28

34

44

56

67

最小值

8.64

11.57

13.57

17.57

21.16

27.16

33

43

54.8

65.1

x

最大值

2

2.5

3.2

3.8

4.2

5

6.3

7.5

8.8

10

千件钢制重≈kg


-

-

-

-

-

-

-

-

-

-

1.jpg

材质:碳钢 不锈钢

型号规格:碳钢 M5-36 不锈钢 M5-M12

电镀表色 洗白、钝化、六价铬锌、镀镍、环保彩锌、环保黑锌 达克罗、锌镍合金等

相关标签:GB37T型槽用螺栓

最近浏览:

相关产品:

相关新闻:

姓名 |
手机 |
内容 |
在线客服
分享 一键分享