地址:深圳市光明区薯田埔社区东益扬配件工业园B2栋
联系人:何建平
电话:13919413913 0755-27193913
传真:0755-27193931
QQ:1324596002
网址 :
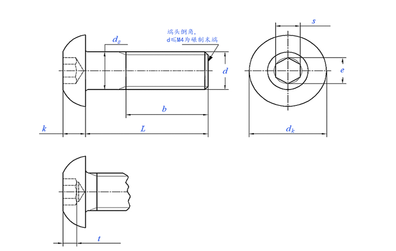
产品名称:ISO7380圆头内六角螺钉

产品参数
螺纹规格 | M3 | M4 | M5 | M6 | M8 | M10 | M12 | M16 | |
d | |||||||||
P | 螺距 | 0.5 | 0.7 | 0.8 | 1 | 1.25 | 1.5 | 1.75 | 2 |
dk | 最大值 | 5.7 | 7.6 | 9.5 | 10.5 | 14 | 17.5 | 21 | 28 |
最小值 | 5.4 | 7.24 | 9.14 | 10.07 | 13.57 | 17.07 | 20.48 | 27.48 | |
ds | 最大值 | 3 | 4 | 5 | 6 | 8 | 10 | 12 | 16 |
最小值 | 2.86 | 3.82 | 4.82 | 5.82 | 7.78 | 9.78 | 11.73 | 15.73 | |
k | 最大值 | 1.65 | 2.2 | 2.75 | 3.3 | 4.4 | 5.5 | 6.6 | 8.8 |
最小值 | 1.4 | 1.95 | 2.5 | 3 | 4.1 | 5.2 | 6.24 | 8.44 | |
t | 最小值 | 1.04 | 1.3 | 1.56 | 2.08 | 2.6 | 3.12 | 4.16 | 5.2 |
e | 最小值 | 2.303 | 2.873 | 3.443 | 4.583 | 5.723 | 6.863 | 9.149 | 11.429 |
s | 公称 | 2 | 2.5 | 3 | 4 | 5 | 6 | 8 | 10 |
最大值 | 2.08 | 2.58 | 3.08 | 4.095 | 5.14 | 6.14 | 8.175 | 10.175 | |
最小值 | 2.02 | 2.52 | 3.02 | 4.02 | 5.02 | 6.02 | 8.025 | 10.025 | |
最小拉力载荷(N) | 8.8② | 3220 | 5620 | 9080 | 12900 | 23400 | 37100 | 53900 | 100000 |
10.9② | 4180 | 7300 | 11800 | 16700 | 30500 | 48200 | 70200 | 130000 | |
12.9级/12.9/12.9② | 4910 | 8560 | 13800 | 19600 | 35700 | 56600 | 82400 | 154000 | |
70③ | 2810 | 4910 | 7950 | 11200 | 20400 | 32400 | 47200 | 87900 | |
80③ | 3220 | 5620 | 9080 | 12900 | 23400 | 37100 | 53900 | 100000 | |
螺纹长度b | 参考 | - | - | - | - | - | - | - | - |

①,emin=1.14smin;内六角组合量规尺寸见 ISO 23429。
②ISO 898-1 规定值Fm.min 的80%。
③ISO 3506-1 规定值Fm.min(Rm.min × As.nom) 的80%。
材料:合金钢、不锈钢、铜等
电镀表色:洗白、钝化、六价铬锌、镀镍、环保彩锌、环保黑锌 达克罗、锌镍合金等





