地址:深圳市光明区薯田埔社区东益扬配件工业园B2栋
联系人:何建平
电话:13919413913 0755-27193913
传真:0755-27193931
QQ:1324596002
网址 :
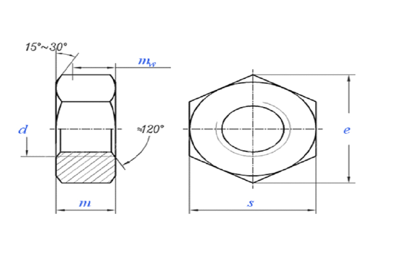
产品名称:DIN934外六角螺母

产品规格
螺纹尺寸 | M1 | M1.2 | M1.4 | M1.6 | (M1.7) | M2 | (M2.3) | M2.5 | (M2.6) | M3 | (M3.5) | M4 | M5 | M6 | (M7) | M8 | ||||
d | ||||||||||||||||||||
P | 螺距 | 粗牙 | 0.25 | 0.25 | 0.3 | 0.35 | 0.35 | 0.4 | 0.45 | 0.45 | 0.45 | 0.5 | 0.6 | 0.7 | 0.8 | 1 | 1 | 1.25 | ||
细牙1 | / | / | / | / | / | / | / | / | / | / | / | / | / | / | / | 1 | ||||
细牙2 | / | / | / | / | / | / | / | / | / | / | / | / | / | / | / | / | ||||
m | 最大值=公称 | 0.8 | 1 | 1.2 | 1.3 | 1.4 | 1.6 | 1.8 | 2 | 2 | 2.4 | 2.8 | 3.2 | 4 | 5 | 5.5 | 6.5 | |||
最小值 | 0.55 | 0.75 | 0.95 | 1.05 | 1.15 | 1.35 | 1.55 | 1.75 | 1.75 | 2.15 | 2.55 | 2.9 | 3.7 | 4.7 | 5.2 | 6.14 | ||||
mw | 最小值 | 0.44 | 0.6 | 0.76 | 0.84 | 0.92 | 1.08 | 1.24 | 1.4 | 1.4 | 1.72 | 2.04 | 2.32 | 2.96 | 3.76 | 4.16 | 4.91 | |||
s | 最大值=公称 | 2.5 | 3 | 3 | 3.2 | 3.5 | 4 | 4.5 | 5 | 5 | 5.5 | 6 | 7 | 8 | 10 | 11 | 13 | |||
最小值 | 2.4 | 2.9 | 2.9 | 3.02 | 3.38 | 3.82 | 4.32 | 4.82 | 4.82 | 5.32 | 5.82 | 6.78 | 7.78 | 9.78 | 10.73 | 12.73 | ||||
e ① | 最小值 | 2.71 | 3.28 | 3.28 | 3.41 | 3.82 | 4.32 | 4.88 | 5.45 | 5.45 | 6.01 | 6.58 | 7.66 | 8.79 | 11.05 | 12.12 | 14.38 | |||
* | - | - | - | - | - | - | - | - | - | - | - | - | - | - | - | - | ||||
千件重(钢制)≈kg | 0.03 | 0.054 | 0.063 | 0.076 | 0.1 | 0.142 | 0.2 | 0.28 | 0.72 | 0.384 | 0.514 | 0.81 | 1.23 | 2.5 | 3.12 | 5.2 | ||||
螺纹尺寸 | M10 | M12 | (M14) | M16 | (M18) | M20 | (M22) | M24 | (M27) | M30 | (M33) | M36 | (M39) | M42 | (M45) | M48 | ||||
d | ||||||||||||||||||||
P | 螺距 | 粗牙 | 1.5 | 1.75 | 2 | 2 | 2.5 | 2.5 | 2.5 | 3 | 3 | 3.5 | 3.5 | 4 | 4 | 4.5 | 4.5 | 5 | ||
细牙1 | 1 | 1.5 | 1.5 | 1.5 | 1.5 | 2 | 1.5 | 2 | 2 | 2 | 2 | 3 | 3 | 3 | 3 | 3 | ||||
细牙2 | 1.25 | 1.25 | / | / | 2 | 1.5 | 2 | / | / | / | / | / | / | / | / | / | ||||
m | 最大值=公称 | 8 | 10 | 11 | 13 | 15 | 16 | 18 | 19 | 22 | 24 | 26 | 29 | 31 | 34 | 36 | 38 | |||
最小值 | 7.64 | 9.64 | 10.3 | 12.3 | 14.3 | 14.9 | 16.9 | 17.7 | 20.7 | 22.7 | 24.7 | 27.4 | 29.4 | 32.4 | 34.4 | 36.4 | ||||
mw | 最小值 | 6.11 | 7.71 | 8.24 | 9.84 | 11.44 | 11.92 | 13.52 | 14.16 | 16.56 | 18.16 | 19.76 | 21.92 | 23.52 | 25.9 | 27.5 | 29.1 | |||
s | 最大值=公称 | 17 | 19 | 22 | 24 | 27 | 30 | 32 | 36 | 41 | 46 | 50 | 55 | 60 | 65 | 70 | 75 | |||
最小值 | 16.73 | 18.67 | 21.67 | 23.67 | 26.16 | 29.16 | 31 | 35 | 40 | 45 | 49 | 53.8 | 58.8 | 63.1 | 68.1 | 73.1 | ||||
e ① | 最小值 | 18.9 | 21.1 | 24.49 | 26.75 | 29.56 | 32.95 | 35.03 | 39.55 | 45.2 | 50.85 | 55.37 | 60.79 | 66.44 | 71.3 | 76.95 | 82.6 | |||
* | - | - | - | - | - | - | - | - | - | - | - | - | - | - | - | - | ||||
千件重(钢制)≈kg | 11.6 | 17.3 | 25 | 33.3 | 49.4 | 64.4 | 79 | 110 | 165 | 223 | 288 | 393 | 502 | 652 | 800 | 977 | ||||
螺纹尺寸 | (M52) | M56 | (M60) | M64 | ||||
d | ||||||||
P | 螺距 | 粗牙 | 5 | 5.5 | 5.5 | 6 | ||
细牙1 | 3 | 4 | 4 | 4 | ||||
细牙2 | / | / | / | / | ||||
m | 最大值=公称 | 42 | 45 | 48 | 51 | |||
最小值 | 40.4 | 43.4 | 46.4 | 49.1 | ||||
mw | 最小值 | 32.3 | 34.7 | 37.1 | 39.3 | |||
s | 最大值=公称 | 80 | 85 | 90 | 95 | |||
最小值 | 78.1 | 82.8 | 87.8 | 92.8 | ||||
e ① | 最小值 | 88.25 | 93.56 | 99.21 | 104.86 | |||
* | - | - | - | - | ||||
千件重(钢制)≈kg | 1220 | 1420 | 1690 | 1980 | ||||





