地址:深圳市光明区薯田埔社区东益扬配件工业园B2栋
联系人:何建平
电话:13919413913 0755-27193913
传真:0755-27193931
QQ:1324596002
网址 :
DIN580不锈钢吊环螺栓是一种常用的连接件,广泛应用于吊装、吊运和固定等领域。它具有耐腐蚀、耐磨损、承载能力强等优点,因此备受市场青睐。作为一家专业生产不锈钢吊环螺栓的企业,恒泰五金一直致力于为客户提供优质的产品和服务。
首先,我们的DIN580不锈钢吊环螺栓采用优质不锈钢材料制成,具有良好的耐腐蚀性能,可以在潮湿、酸碱环境中长期使用而不易生锈。其次,我们的产品经过严格的质量控制,确保每一颗螺栓都符合国际标准,承载能力可靠,安全性高。此外,我们还提供各种规格和型号的DIN580不锈钢吊环螺栓,满足不同客户的需求。
除了产品质量,恒泰五金还注重客户体验。我们拥有专业的技术团队和销售团队,可以为客户提供全方位的技术支持和咨询服务。无论是产品选择、安装使用还是售后维护,我们都能给予客户及时、专业的帮助。此外,我们还提供定制化服务,根据客户的需求定制特殊规格和型号的DIN580不锈钢吊环螺栓,满足客户个性化的需求。
在市场竞争激烈的环境下,恒泰五金始终坚持以质量为根本,以客户为中心的经营理念,努力为客户创造更大的价值。我们不仅仅是产品的供应商,更是客户值得信赖的合作伙伴。我们愿意倾听客户的需求,与客户共同成长,共同进步。
总之,恒泰五金作为一家专业的不锈钢吊环螺栓生产厂家,拥有丰富的经验和专业的团队,可以为客户提供优质的产品和服务。我们将继续秉承“质量第一,客户至上”的宗旨,不断提升产品质量和服务水平,与客户携手共创美好未来。期待与您的合作,共同发展!

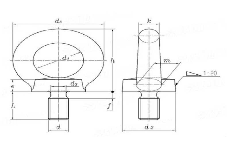
产品规格
螺纹规格 | M6 | M8 | M10 | M12 | M16 | M20 | M24 | M30 | M36 | M42 | |
d | |||||||||||
d2 | 公称 | 20 | 25 | 30 | 35 | 40 | 50 | 65 | 75 | 85 | |
最小值 | 19.5 | 24.5 | 29.5 | 34.5 | 39.3 | 49.3 | 64.3 | 74.3 | 84.2 | ||
最大值 | 21.1 | 26.1 | 31.1 | 36.2 | 41.3 | 51.3 | 66.3 | 76.5 | 86.7 | ||
d3 | 公称 | 36 | 45 | 54 | 63 | 72 | 90 | 108 | 126 | 144 | |
最小值 | 35.4 | 44.4 | 53.4 | 62.4 | 71.3 | 89.3 | 107.3 | 125.2 | 143.1 | ||
最大值 | 37.2 | 46.2 | 55.2 | 64.2 | 73.3 | 91.3 | 109.5 | 127.7 | 145.9 | ||
d4 | 公称 | 20 | 25 | 30 | 35 | 40 | 50 | 60 | 70 | 80 | |
最小值 | 18.9 | 23.9 | 28.9 | 33.8 | 38.7 | 48.7 | 58.7 | 68.5 | 78.3 | ||
最大值 | 20.5 | 25.5 | 30.5 | 35.6 | 40.7 | 50.7 | 60.7 | 70.7 | 80.8 | ||
e | 公称 | 6 | 8 | 10 | 12 | 14 | 18 | 22 | 26 | 30 | |
最小值 | 5.5 | 7.5 | 9.5 | 11.5 | 13.4 | 17.4 | 21.4 | 25.3 | 29.3 | ||
最大值 | 7.1 | 9.1 | 11.1 | 13.1 | 15.2 | 19.2 | 23.2 | 27.3 | 31.5 | ||
f | 最大值 | 2.5 | 3 | 3.5 | 4 | 5 | 6 | 7 | 8 | 9 | |
ds | 最大值=公称 | 6 | 7.7 | 9.4 | 13 | 16.4 | 19.6 | 25 | 30.3 | 35.6 | |
最小值 | 5.82 | 7.48 | 9.18 | 12.73 | 16.13 | 19.27 | 24.67 | 29.91 | 35.21 | ||
h | 公称 | 36 | 45 | 53 | 62 | 71 | 90 | 109 | 128 | 147 | |
最小值 | 35.4 | 44.4 | 52.4 | 61.4 | 70.3 | 89.3 | 108.3 | 127.2 | 146.1 | ||
最大值 | 37.2 | 46.2 | 54.2 | 63.2 | 72.3 | 91.3 | 110.5 | 129.7 | 148.9 | ||
k | 公称 | 8 | 10 | 12 | 14 | 16 | 20 | 24 | 28 | 32 | |
最小值 | 7.5 | 9.5 | 11.5 | 13.5 | 15.4 | 19.4 | 23.4 | 27.3 | 31.3 | ||
最大值 | 9.1 | 11.1 | 13.1 | 15.1 | 17.2 | 21.2 | 25.2 | 29.3 | 33.5 | ||
L | 公称 | 13 | 17 | 20.5 | 27 | 30 | 36 | 45 | 54 | 63 | |
最小值 | 12.71 | 16.71 | 20.15 | 26.65 | 29.58 | 35.5 | 44.5 | 53.5 | 62.5 | ||
最大值 | 13.29 | 17.29 | 20.85 | 27.35 | 30.42 | 36.5 | 45.5 | 54.5 | 63.5 | ||
m | 公称 | 10 | 12 | 14 | 16 | 19 | 24 | 28 | 32 | 38 | |
最小值 | 9.5 | 11.5 | 13.5 | 15.5 | 18.4 | 23.4 | 27.4 | 31.3 | 37.2 | ||
最大值 | 11.1 | 13.1 | 15.1 | 17.1 | 20.2 | 25.2 | 29.2 | 33.3 | 39.5 | ||
单重(钢制)≈kg | 0.06 | 0.11 | 0.18 | 0.28 | 0.45 | 0.74 | 1.66 | 2.65 | 4.03 | ||

材料:合金钢、不锈钢;
电镀表色:洗白、钝化、六价铬锌、镀镍、环保彩锌、环保黑锌 达克罗、锌镍合金等。旋转吊环螺栓