您好,欢迎来到米乐官方体育app

服务热线:

191-6896-3913(何先生)


产品中心

联系我们

地址:深圳市光明区薯田埔社区东益扬配件工业园B2栋

联系人:何建平

电话:13919413913  0755-27193913

传真:0755-27193931

QQ:1324596002

邮箱:[email protected]

网址 :

DIN1587盖型螺母

您的当前位置: 首 页 >> 产品中心 >> 不锈钢螺丝

DIN1587盖型螺母

  • 所属分类:不锈钢螺丝

  • 点击次数:
  • 发布日期:2024/06/12
  • 在线询价
详细介绍

产品名称:DIN1587盖型螺母


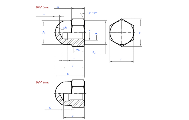
DIN1587盖型螺母是一种常见的紧固件,通常用于机械设备和构件的固定。它由螺母本体和盖子组成,盖子可以起到防尘、防水和美化外观的作用。在工程和制造行业中,DIN1587盖型螺母被广泛应用,因其结构简单、安装方便、性能可靠而备受青睐。


首先,DIN1587盖型螺母的材质一般为碳钢、合金钢和不锈钢等,具有良好的耐腐蚀性和耐磨性,能够在恶劣的环境中长期使用。其表面经过镀锌、磷化等处理,具有良好的防腐蚀性能,能够保持金属的光泽和美观。


其次,DIN1587盖型螺母的安装非常简便,只需将螺母本体旋入螺纹孔中,再将盖子旋紧即可。盖子的设计使其更易于手动旋紧,不需要额外的工具,省时省力。同时,盖子的外观可以根据需要进行镀铬、喷涂等处理,美观大方。


此外,DIN1587盖型螺母的性能可靠,具有良好的紧固效果和耐久性。其特殊的结构设计使其在振动和冲击载荷下能够保持稳定的紧固力,不易松动。在机械设备和构件的安装中,DIN1587盖型螺母能够起到可靠的固定作用,保证设备和构件的安全运行。


总的来说,DIN1587盖型螺母具有结构简单、安装方便、性能可靠等优点,广泛应用于机械设备和构件的紧固领域。在恒泰五金,我们提供各种规格和材质的DIN1587盖型螺母,可满足不同客户的需求。我们拥有先进的生产设备和严格的质量控制体系,确保产品质量稳定可靠。同时,我们还可以根据客户的要求进行定制加工,提供最优质的服务。欢迎各界朋友前来咨询洽谈,我们将竭诚为您提供最满意的产品和服务。



DIN1587盖型螺母

产品规格

螺纹尺寸

M4

M5

M6

M8

M10

M12

(M14)

M16

(M18)

M20

(M22)

M24

d













P

系列1

粗牙

0.7

0.8

1

1.25

1.5

1.75

2

2

2.5

2.5

2.5

3

系列2

细牙

/

/

/

1

1

1.5

1.5

1.5

1.5

2

2

2

系列3

细牙

/

/

/

/

1.25

1.25

/

/

2

1.5

1.5

/

da

最小值

4

5

6

8

10

12

14

16

18

20

22

24

最大值

4.6

5.75

6.75

8.75

10.8

13

15.1

17.3

19.5

21.6

23.7

25.9

dk

最大值

6.5

7.5

9.5

12.5

16

18

21

23

26

28

31

34

dw

最小值

5.8

6.8

8.3

11.3

15.3

17.2

20.2

22.2

25.3

28.3

29.5

33.2

e

最小值

A级

7.66

8.79

11.05

14.38

18.9

21.1

24.49

26.75

30.14

33.53

35.72

39.98

B级

7.5

8.63

10.89

14.2

18.72

20.88

23.91

26.17

29.56

32.95

35.03

39.55

x

最大值

系列1

1.4

1.6

2

2.5

3

/

/

/

/

/

/

/

系列2

/

/

/

2

2

/

/

/

/

/

/

/

系列3

/

/

/

/

2.5

/

/

/

/

/

/

/

G

最大值

系列1

/

/

/

/

/

6.4

7.3

7.3

9.3

9.3

9.3

10.7

系列2

/

/

/

/

/

5.6

5.6

5.6

5.6

7.3

5.6

7.3

系列3

/

/

/

/

/

4.9

/

/

7.3

5.6

7.3

/

h

最大值=公称

8

10

12

15

18

22

25

28

32

34

39

42

最小值

A级

7.64

9.64

11.57

14.57

17.57

21.48

24.48

27.48

31.38

33.38

38.38

41.38

B级

7.42

9.42

11.3

14.3

17.3

21.16

24.16

27.16

31

33

38

41

m

最大值

3.2

4

5

6.5

8

10

11

13

15

16

18

19

最小值

2.9

3.7

4.7

6.14

7.64

9.64

10.3

12.3

14.3

14.9

16.9

17.7

mw

最小值

2.32

2.96

3.76

4.91

6.11

7.71

8.24

9.84

11.44

11.92

13.52

14.16

SR

3.25

3.75

4.75

6.25

8

9

10.5

11.5

13

14

15.5

17

s

最大值=公称

7

8

10

13

17

19

22

24

27

30

32

36

最小值

A级

6.78

7.78

9.78

12.73

16.73

18.67

21.67

23.67

26.67

29.67

31.61

35.38

B级

6.64

7.64

9.64

12.57

16.57

18.48

21.16

23.16

26.16

29.16

31

35

t

最小值

5.26

7.21

7.71

10.65

12.65

15.65

17.65

20.58

24.58

25.58

28.58

30.5

最大值

5.74

7.79

8.29

11.35

13.35

16.35

18.35

21.42

25.42

26.42

29.42

31.5

w

最小值

2

2

2

2

2

3

4

4

5

5

5

6

千件重kg

/

/

4.66

11

20.1

28.3

57.2

54.3

95

104

129

216

1.jpg



相关标签:螺母系列盖型螺母生产厂家,盖型螺母批发,广东螺丝生产,深圳恒泰五金

最近浏览:

姓名 |
手机 |
内容 |
在线客服
分享 一键分享