地址:深圳市光明区薯田埔社区东益扬配件工业园B2栋
联系人:何建平
电话:13919413913 0755-27193913
传真:0755-27193931
QQ:1324596002
网址 :
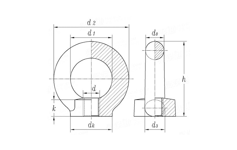
产品名称:DIN580吊环螺母
DIN580吊环螺母是一种常用的吊装配件,广泛应用于机械设备、建筑工程、船舶制造等行业。它的设计结构简单,安装方便,能够承受较大的拉力,是吊装作业中不可或缺的重要组成部分。
DIN580吊环螺母由优质合金钢材料制成,经过热处理和表面镀锌处理,具有良好的耐腐蚀性能和强度。其外形为螺纹柱状,上部为带环的螺母,下部为螺纹柱,可以与各种螺栓或螺纹孔配合使用。在吊装作业中,通过将DIN580吊环螺母固定在机械设备或构件上,再通过吊钩与吊绳连接,可以有效地实现起吊和移动物体的作用。
DIN580吊环螺母的优点在于其结构坚固,使用寿命长,能够承受较大的拉力。在使用时,只需将其螺纹部分与螺栓或螺纹孔配合,然后通过吊钩与吊绳连接,即可实现对物体的稳固吊装。此外,DIN580吊环螺母还具有良好的耐腐蚀性能,可以在恶劣的环境下使用,保证吊装作业的安全性和稳定性。
在使用DIN580吊环螺母时,需要注意以下几点:首先,要选择适合的吊环螺母规格和型号,确保其能够承受所需的拉力;其次,在安装时要保证吊环螺母与螺栓或螺纹孔的配合牢固,避免出现松动或脱落的情况;最后,在吊装作业中要严格按照使用说明进行操作,避免因操作不当而造成意外。
总的来说,DIN580吊环螺母作为吊装配件,具有结构坚固、使用寿命长、耐腐蚀等优点,广泛应用于各种工程领域。在恒泰五金,我们提供各种规格和型号的DIN580吊环螺母,保证产品质量,为客户提供满意的吊装解决方案。如果您有吊装需求或者对DIN580吊环螺母感兴趣,欢迎随时联系我们,我们将竭诚为您服务。

产品规格
螺纹尺寸 | M6 | M8 | M10 | M12 | M14 | M16 | M18 | M20 | M22 | M24 | M27 | M30 | M33 | |
d | ||||||||||||||
dk | 公称 | 20 | 20 | 25 | 30 | 35 | 35 | 40 | 40 | 50 | 50 | 65 | 65 | 75 |
最小值 | 19.5 | 19.5 | 24.5 | 29.5 | 34.5 | 34.5 | 39.5 | 39.5 | 49.4 | 49.4 | 64.3 | 64.3 | 74.3 | |
最大值 | 20.9 | 20.9 | 25.9 | 30.9 | 36.1 | 36.1 | 41.1 | 41.1 | 51.2 | 51.2 | 66.3 | 66.3 | 76.5 | |
d2 | 公称 | 36 | 36 | 45 | 54 | 63 | 63 | 72 | 72 | 90 | 90 | 108 | 108 | 126 |
最小值 | 35.5 | 35.5 | 44.5 | 53.5 | 62.5 | 62.5 | 71.5 | 71.5 | 89.4 | 89.4 | 107.3 | 107.3 | 125.2 | |
最大值 | 37.1 | 37.1 | 46.1 | 55.1 | 64.1 | 64.1 | 73.1 | 73.1 | 91.2 | 91.2 | 109.5 | 109.5 | 127.7 | |
d1 | 公称 | 20 | 20 | 25 | 30 | 35 | 35 | 40 | 40 | 50 | 50 | 60 | 60 | 70 |
最小值 | 19.1 | 19.1 | 24.1 | 29.1 | 33.9 | 33.9 | 38.9 | 38.9 | 48.8 | 48.8 | 58.7 | 58.7 | 68.5 | |
最大值 | 20.5 | 20.5 | 25.5 | 30.5 | 35.5 | 35.5 | 40.5 | 40.5 | 50.6 | 50.6 | 60.7 | 60.7 | 70.7 | |
k | 公称 | 8.5 | 8.5 | 10 | 11 | 13 | 13 | 16 | 16 | 20 | 20 | 25 | 25 | 30 |
最小值 | 8 | 8 | 9.5 | 10.5 | 12.5 | 12.5 | 15.5 | 15.5 | 19.5 | 19.5 | 24.4 | 24.4 | 29.3 | |
最大值 | 9.4 | 9.4 | 10.9 | 11.9 | 13.9 | 13.9 | 16.9 | 16.9 | 21.1 | 21.1 | 26.2 | 26.2 | 31.3 | |
h | 公称 | 36 | 36 | 45 | 53 | 62 | 62 | 71 | 71 | 90 | 90 | 109 | 109 | 128 |
最小值 | 35.5 | 35.5 | 44.5 | 52.5 | 61.5 | 61.5 | 70.5 | 70.5 | 89.4 | 89.4 | 108.3 | 108.3 | 127.2 | |
最大值 | 37.1 | 37.1 | 46.1 | 54.1 | 63.1 | 63.1 | 72.1 | 72.1 | 91.2 | 91.2 | 110.5 | 110.5 | 129.7 | |
d0 | 公称 | 8 | 8 | 10 | 12 | 14 | 14 | 16 | 16 | 20 | 20 | 24 | 24 | 28 |
最小值 | 7.5 | 7.5 | 9.5 | 11.5 | 13.5 | 13.5 | 15.5 | 15.5 | 19.5 | 19.5 | 23.4 | 23.4 | 27.3 | |
最大值 | 8.9 | 8.9 | 10.9 | 12.9 | 14.9 | 14.9 | 16.9 | 16.9 | 21.1 | 21.1 | 25.2 | 25.2 | 29.3 | |
d3 | 公称 | 10 | 10 | 12 | 14 | 16 | 16 | 19 | 19 | 24 | 24 | 28 | 28 | 32 |
最小值 | 9.5 | 9.5 | 11.5 | 13.5 | 15.5 | 15.5 | 18.5 | 18.5 | 23.5 | 23.5 | 27.4 | 27.4 | 31.3 | |
最大值 | 10.9 | 10.9 | 12.9 | 14.9 | 16.9 | 16.9 | 19.9 | 19.9 | 25.1 | 25.1 | 29.2 | 29.2 | 33.3 | |
单重(钢制)≈kg | 0.05 | 0.05 | 0.09 | 0.16 | 0.24 | 0.24 | 0.37 | 0.36 | 0.73 | 0.72 | 1.34 | 1.32 | 2.11 | |

①材料:a)钢,C15E标准DIN EN 10084
b)不锈钢,等级:A2,A3,A4,A5按标准DIN EN ISO 3506-1
替代列表:DIN 582 - 1971 DIN 582 - 2009 DIN 582 - 2018 不锈钢吊环螺母
电镀表色:六价铬锌、镀镍、环保彩锌、环保黑锌 达克罗、锌镍合金等。
