地址:深圳市光明区薯田埔社区东益扬配件工业园B2栋
联系人:何建平
电话:13919413913 0755-27193913
传真:0755-27193931
QQ:1324596002
网址 :
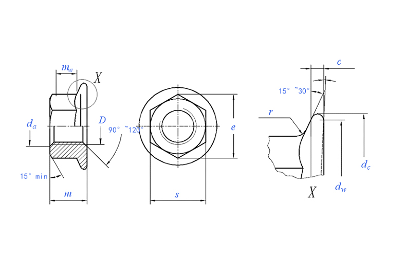
产品名称:DIN6923六角法兰面螺母
DIN6923六角法兰面螺母是一种常见的紧固件,广泛应用于机械设备、汽车、航空航天、建筑和其他行业。它具有六角形的外形设计,可以通过六角扳手进行安装和拆卸,非常方便实用。在安装时,六角法兰面螺母可以提供更大的扭矩,从而更牢固地固定连接件,确保设备的稳定性和安全性。
DIN6923标准规定了六角法兰面螺母的各项技术要求,包括尺寸、材质、表面处理等。在生产过程中,必须严格按照标准进行生产,以确保产品的质量和性能符合要求。恒泰五金作为一家专业的紧固件生产厂家,可以提供符合DIN6923标准的高品质六角法兰面螺母,满足客户的各种需求。
六角法兰面螺母通常由碳钢、合金钢、不锈钢等材质制成,表面经过镀锌、热浸镀锌、镀镍等处理,以增加耐腐蚀性和美观度。恒泰五金可以根据客户的要求,提供不同材质和表面处理的六角法兰面螺母,以满足不同环境下的使用需求。
除了标准产品外,恒泰五金还可以根据客户的特殊需求,提供定制化的六角法兰面螺母。无论是特殊材质、特殊尺寸还是特殊表面处理,我们都可以为客户量身定制,确保产品完全符合客户的要求。我们拥有先进的生产设备和丰富的生产经验,可以确保定制产品的质量和交货周期。
在使用六角法兰面螺母时,需要注意以下几点:首先,在拧紧螺母时,要选择合适的扭矩,不要过紧或过松;其次,要确保螺母和螺纹孔的清洁,避免杂质影响安装;最后,在使用过程中要定期检查螺母的状态,确保连接件的稳固性。
总之,DIN6923六角法兰面螺母是一种重要的紧固件产品,恒泰五金作为专业的生产厂家,可以为客户提供高品质的标准和定制产品。我们将秉承“质量第一,客户至上”的原则,为客户提供最优质的产品和最满意的服务。欢迎客户来电咨询或参观工厂,期待与您合作!

产品规格
螺纹规格 | M5 | M6 | M8 | M10 | M12 | M14 | M16 | M20 | ||||
D | ||||||||||||
P | 螺距 | 粗牙 | 0.8 | 1 | 1.25 | 1.5 | 1.75 | 2 | 2 | 2.5 | ||
细牙1 | / | / | 1 | 1.25 | 1.5 | 1.5 | 1.5 | 1.5 | ||||
细牙2 | / | / | / | -1 | -1.25 | / | / | / | ||||
c | 最小值 | 1 | 1.1 | 1.2 | 1.5 | 1.8 | 2.1 | 2.4 | 3 | |||
da | 最小值 | 5 | 6 | 8 | 10 | 12 | 14 | 16 | 20 | |||
最大值 | 5.75 | 6.75 | 8.75 | 10.8 | 13 | 15.1 | 17.3 | 21.6 | ||||
dc | 最大值 | 11.8 | 14.2 | 17.9 | 21.8 | 26 | 29.9 | 34.5 | 42.8 | |||
dw | 最小值 | 9.8 | 12.2 | 15.8 | 19.6 | 23.8 | 27.6 | 31.9 | 39.9 | |||
e | 最小值 | 8.79 | 11.05 | 14.38 | 16.64 | 20.03 | 23.36 | 26.75 | 32.95 | |||
m | 最大值 | 5 | 6 | 8 | 10 | 12 | 14 | 16 | 20 | |||
最小值 | 4.7 | 5.7 | 7.6 | 9.6 | 11.6 | 13.3 | 15.3 | 18.9 | ||||
mw | 最小值 | 2.2 | 3.1 | 4.5 | 5.5 | 6.7 | 7.8 | 9 | 11.1 | |||
s | 最大值=公称 | 8 | 10 | 13 | 15 | 18 | 21 | 24 | 30 | |||
最小值 | 7.78 | 9.78 | 12.73 | 14.73 | 17.73 | 20.67 | 23.67 | 29.67 | ||||
r | 最大值 | 0.3 | 0.36 | 0.48 | 0.6 | 0.72 | 0.88 | 0.96 | 1.2 | |||
千件重(钢制)≈kg | 1.27 | 2.49 | 5.36 | 8.44 | 14.75 | 22.81 | 34.66 | 63.97 | ||||
