地址:深圳市光明区薯田埔社区东益扬配件工业园B2栋
联系人:何建平
电话:13919413913 0755-27193913
传真:0755-27193931
QQ:1324596002
网址 :
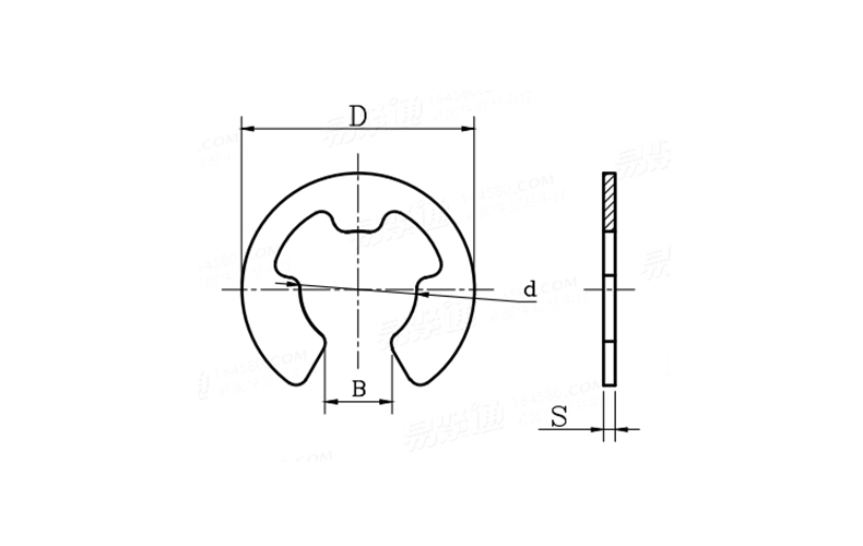
产品名称:开口挡圈
GB896开口挡圈是一种常用于机械设备中的重要零部件,它的作用是用于定位和固定轴承、轴承座或其他机械零件。恒泰五金作为一家专业生产GB896开口挡圈的企业,以其优质的产品质量和专业的服务赢得了广大客户的信赖和好评。
首先,恒泰五金拥有先进的生产设备和技术团队,能够确保产品的精准加工和高质量。公司采用先进的加工工艺,严格控制产品的尺寸和表面光洁度,保证每一件产品都符合标准要求。而且公司还拥有一支经验丰富的技术团队,能够根据客户的需求,提供定制化的解决方案,满足不同客户的需求。
其次,恒泰五金注重产品质量和性能的提升,不断进行技术创新和产品研发。公司引进了先进的检测设备,对产品进行严格的质量检测,确保产品的性能稳定和可靠性。同时,公司还不断进行技术创新,研发出更加优质的产品,满足市场的需求。公司产品不仅通过了ISO9001质量管理体系认证,还获得了多项国家zhuanli,得到了客户的一致好评。
此外,恒泰五金以客户需求为导向,提供专业的售前咨询和售后服务。公司拥有一支专业的销售团队,能够及时响应客户的需求,提供专业的技术咨询和解决方案。而且公司还建立了完善的售后服务体系,对产品的质量和使用情况进行跟踪和反馈,保证客户的满意度。
综上所述,GB896开口挡圈是一种重要的机械零部件,恒泰五金作为专业生产厂家,以其优质的产品质量和专业的服务在市场上脱颖而出。公司将继续秉承“质量第一,客户至上”的宗旨,不断提升产品质量和服务水平,为客户提供更加优质的产品和服务。相信在不久的将来,恒泰五金将成为GB896开口挡圈行业的领军企业,赢得更多客户的信赖和支持。

产品规格
d | 1.2 | 1.5 | 2 | 2.5 | 3 | 3.5 | 4 | 5 | 6 | 8 | 9 | 12 | 15 | |
d | 最大值 | 1.2 | 1.5 | 2 | 2.5 | 3 | 3.5 | 4 | 5 | 6 | 8 | 9 | 12 | 15 |
最小值 | 1.06 | 1.36 | 1.86 | 2.36 | 2.86 | 3.32 | 3.82 | 4.82 | 5.82 | 7.78 | 8.78 | 11.73 | 14.73 | |
B | 公称 | 0.9 | 1.2 | 1.7 | 2.2 | 2.5 | 3 | 3.5 | 4.5 | 5.5 | 7.5 | 8 | 10.5 | 13 |
最大值 | 0.98 | 1.325 | 1.825 | 2.325 | 2.625 | 3.125 | 3.65 | 4.65 | 5.65 | 7.68 | 8.18 | 10.715 | 13.215 | |
最小值 | 0.82 | 1.075 | 1.575 | 2.075 | 2.375 | 2.875 | 3.35 | 4.35 | 5.35 | 7.32 | 7.82 | 10.285 | 12.785 | |
S | 公称 | 0.3 | 0.4 | 0.4 | 0.4 | 0.6 | 0.6 | 0.8 | 0.8 | 1 | 1 | 1 | 1.2 | 1.5 |
最大值 | 0.33 | 0.43 | 0.43 | 0.43 | 0.64 | 0.64 | 0.84 | 0.84 | 1.05 | 1.05 | 1.05 | 1.25 | 1.56 | |
最小值 | 0.24 | 0.34 | 0.34 | 0.34 | 0.53 | 0.53 | 0.7 | 0.7 | 0.87 | 0.87 | 0.87 | 1.07 | 1.35 | |
D | 最大值 | 3 | 4 | 5 | 6 | 7 | 8 | 9 | 10 | 12 | 16 | 18 | 24 | 30 |
千件重(钢制)≈kg | 0.01 | 0.03 | 0.04 | 0.05 | 0.1 | 0.13 | 0.22 | 0.25 | 0.43 | 0.76 | 0.95 | 2.09 | 3.9 | |

①技术条件按 GB 959.1-86 规定。
替代列表
GB 896 - 1986 GB /T 896 - 2020
材质:不锈钢 304、 65Mn(弹簧钢);
规格范围:不锈钢 M1.5-15;
表面处理:本色、发黑、镀白锌、彩锌、镍、达克罗、锌镍合金、热浸镀锌等。轴用开口挡圈
